banner_wyszukiwarka(4).jpg

Wentylator kanałowy TT ICM 150-160 - 530m3/h

Symbol: 8994619174

Wentylator kanałowy ICM 150 160, diagonalny. Jego unikalna konstrukcja umożliwia osiągnięcie wysokich parametrów pracy przy stosunkowo niskim poziomie

Dostępność: Duża dostępność

Cena: 275.00

Cena: 275.00

WariantInne modele:
szt.
SMS : +48606376838

Dostępność i dostawa

Wysyłka w ciągu: 24 godziny
EAN:
5904326322707

Wentylator kanałowy HAVACO ICM

Konstrukcja

Wentylator kanałowy, diagonalny. Jego unikalna konstrukcja umożliwia osiągnięcie wysokich parametrów pracy przy stosunkowo niskim poziomie hałasu oraz niskim zużyciu energii. Obudowa wentylatora wykonana z polipropylenu, natomiast wirnik z tworzywa sztucznego ABS. Specjalne złącza ułatwiają montaż i demontaż urządzenia oraz jego konserwację. Urządzenie możemy instalować zarówno w pozycji poziomej, jak i pionowej.

Silnik elektryczny

Silnik dwubiegowy, zasilany prądem jednofazowym 230V, 50Hz. Przystosowany do regulacji napięciowej. Stopień ochrony IP 44, klasa izolacji B. Silnik wyposażony jest w trwałe łożyska kulkowe i termiczne zabezpieczenie uzwojenia przed przeciążeniem.

Zastosowanie

Wentylator ICM jest przystosowany do transportu powietrza o niskim stopniu zanieczyszczenia. Idealnie nadaje się do instalacji nawiewnych, jak i wyciągowych budynków mieszkalnych, użyteczności publicznej, biur, sklepów. Urządzenie możemy również stosować do instalacji wyciągowych z okapów kuchennych - wymagane jest zastosowanie filtrów tłuszczowych

Temperatura pracy

Wentylator jest przystosowany do przetłaczania powietrza o temperaturze nie przekraczającej 60 °C.

image

Dane techniczne :

image

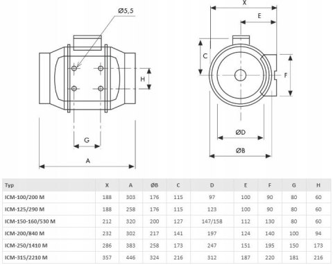
Wymiary wentylatorów :

image
Parametry:
Klasa efektywności energetycznej:
A
Marka:
Havaco
Stan:
Nowy
Stan opakowania:
oryginalne
Średnica otworu:
150 mm, 160 mm
Typ:
Wentylator kanałowy
Waga produktu z opakowaniem jednostkowym:
2

Informacje dotyczące bezpieczeństwa

Ogólne zasady bezpieczeństwa dotyczące wentylatorów mechanicznych do wentylacji budynków

Wentylatory mechaniczne to kluczowy element systemów wentylacji mechanicznej w budynkach mieszkalnych, komercyjnych i przemysłowych. Ich prawidłowy montaż, eksploatacja i konserwacja mają kluczowe znaczenie dla bezpieczeństwa użytkowników, wydajności systemu oraz trwałości urządzenia.

Zasady bezpiecznego użytkowania i montażu

Montaż wyłącznie przez wykwalifikowany personel
Wentylator mechaniczny powinien być instalowany przez osoby posiadające odpowiednie uprawnienia elektryczne i doświadczenie w montażu systemów wentylacji mechanicznej.

Prawidłowa lokalizacja montażu

Urządzenie powinno być zamontowane zgodnie z projektem instalacji oraz dokumentacją producenta.

Należy zachować bezpieczną odległość od źródeł ciepła, ognia, instalacji gazowych i materiałów łatwopalnych.

Bezpieczne podłączenie elektryczne

Instalacja elektryczna musi być wykonana zgodnie z obowiązującymi normami i wymaganiami producenta.

Wentylator powinien być podłączony do odpowiednio zabezpieczonego obwodu elektrycznego z prawidłowym uziemieniem.

Wszelkie prace serwisowe lub instalacyjne należy wykonywać przy odłączonym zasilaniu.

Ochrona przed wilgocią i pyłem

Stosuj wentylatory zgodnie z ich przeznaczeniem – modele do pomieszczeń wilgotnych muszą posiadać odpowiedni stopień ochrony IP.

Nie montuj wentylatorów w miejscach, gdzie występuje ryzyko zalania wodą, chyba że zostały do tego przystosowane.

Prawidłowe mocowanie urządzenia

Urządzenie musi być zamontowane stabilnie, aby zapobiec wibracjom, hałasowi i możliwym uszkodzeniom mechanicznym.

W przypadku wentylatorów sufitowych lub dachowych należy stosować dodatkowe zabezpieczenia antywibracyjne.

Zapewnienie swobodnego przepływu powietrza

Nie zasłaniaj wlotów ani wylotów wentylatora.

Regularnie sprawdzaj drożność kanałów wentylacyjnych, aby uniknąć przeciążenia silnika.

Potencjalne zagrożenia

Porażenie prądem elektrycznym – wynikające z nieprawidłowego podłączenia, uszkodzeń przewodów lub braku uziemienia.

Przegrzanie silnika – spowodowane brakiem drożności kanałów wentylacyjnych lub blokadą wirnika.

Ryzyko pożaru – w przypadku montażu wentylatora w pobliżu materiałów łatwopalnych lub w nieprzystosowanych środowiskach.

Hałas i wibracje – nieprawidłowy montaż może prowadzić do nadmiernego hałasu oraz uszkodzeń konstrukcji budynku.

Spadek jakości powietrza – błędnie dobrany wentylator może skutkować niewystarczającą wymianą powietrza, co negatywnie wpływa na zdrowie użytkowników.

Konserwacja i przeglądy

Regularnie czyść wentylator z kurzu, pyłów i innych zanieczyszczeń, aby utrzymać jego wydajność.

Sprawdzaj stan przewodów elektrycznych, połączeń i wirnika.

Wykonuj okresowe przeglądy techniczne zgodnie z zaleceniami producenta.

W przypadku wykrycia nieprawidłowości, takich jak nadmierny hałas, wibracje, zapach spalenizny lub problemy z działaniem urządzenia – odłącz zasilanie i skontaktuj się z autoryzowanym serwisem.

Podsumowanie

Wentylatory mechaniczne to niezawodne urządzenia, które zapewniają prawidłową cyrkulację powietrza w budynkach, ale wymagają prawidłowego montażu i eksploatacji.
Przestrzeganie powyższych zasad bezpieczeństwa minimalizuje ryzyko awarii, zwiększa efektywność systemu wentylacyjnego i wydłuża żywotność urządzenia.

Dane producenta

Havaco
Działkowa 121A
02-234 Warszawa
Poland

606376838
info@wentec.pl

Nie ma jeszcze komentarzy ani ocen dla tego produktu.
Ocena produktu
Zapytaj o produkt

Zobacz co o nas mówią klienci