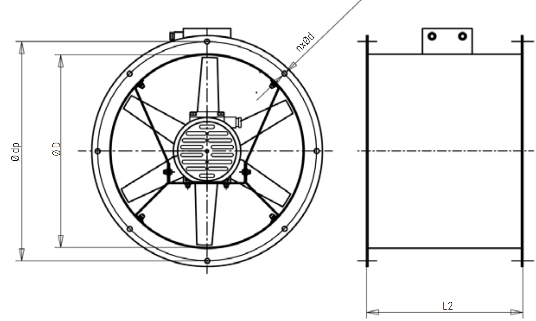
Explosion-proof fan WOK-500/EX - 1370 rpm 5400 m3
The Symbol : WOK-500-EX-1370
Explosion-proof fan WOK-500/EX 1370 rpm | Ex 2(3)G | 9300...
The Availability Of :
Mało
20
opak
Price: 8487.00
Price: 8487.00
