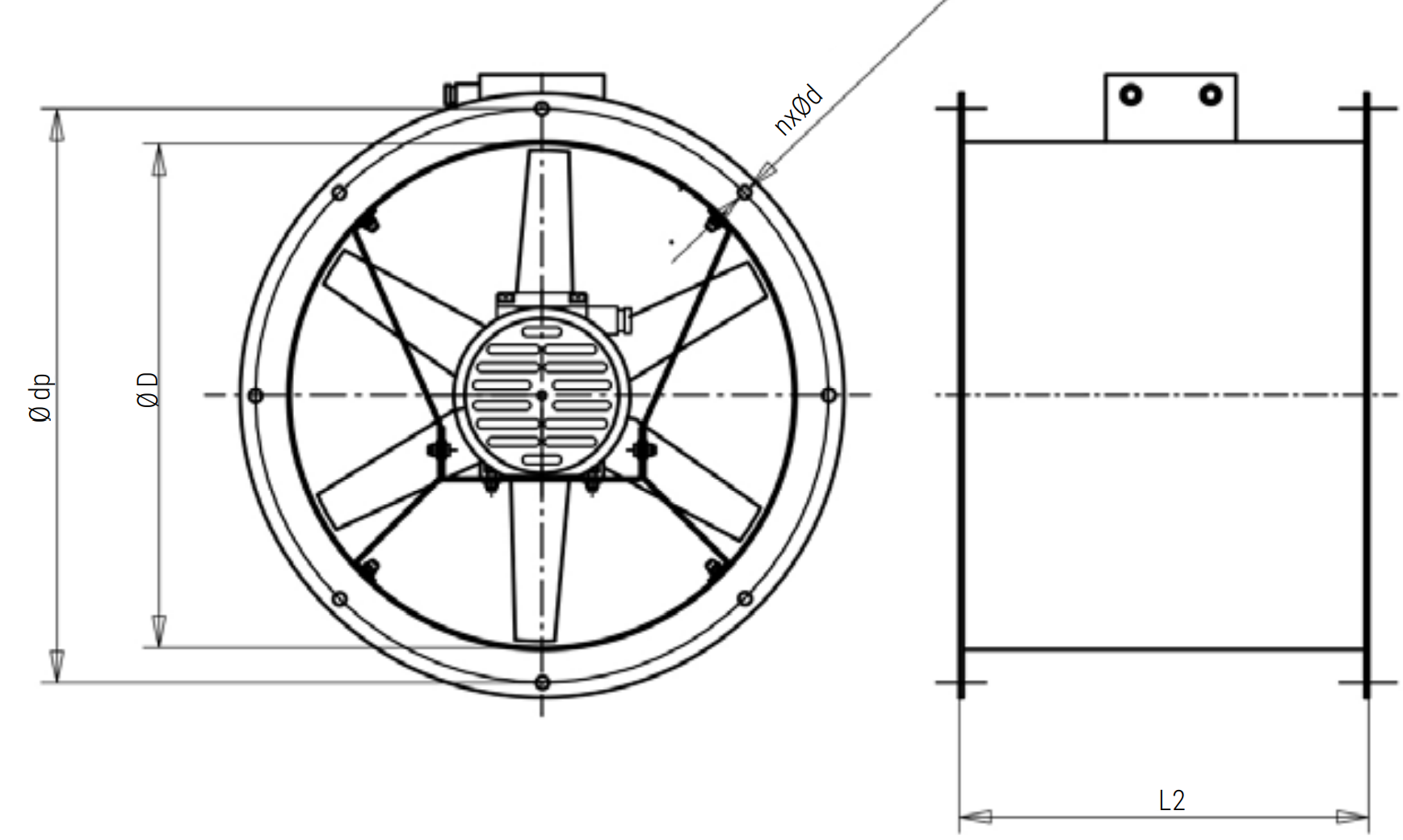
Wentylator przeciwwybuchowy WOK-630/EX - 1425 rpm
Symbol: WOK-630-EX-1425
Wentylator przeciwwybuchowy WOK-630/EX 1425 rpm | Ex 2(3)G |...
Dostępność:
Mało
20
szt.
Cena: 12177.00
Cena: 12177.00

