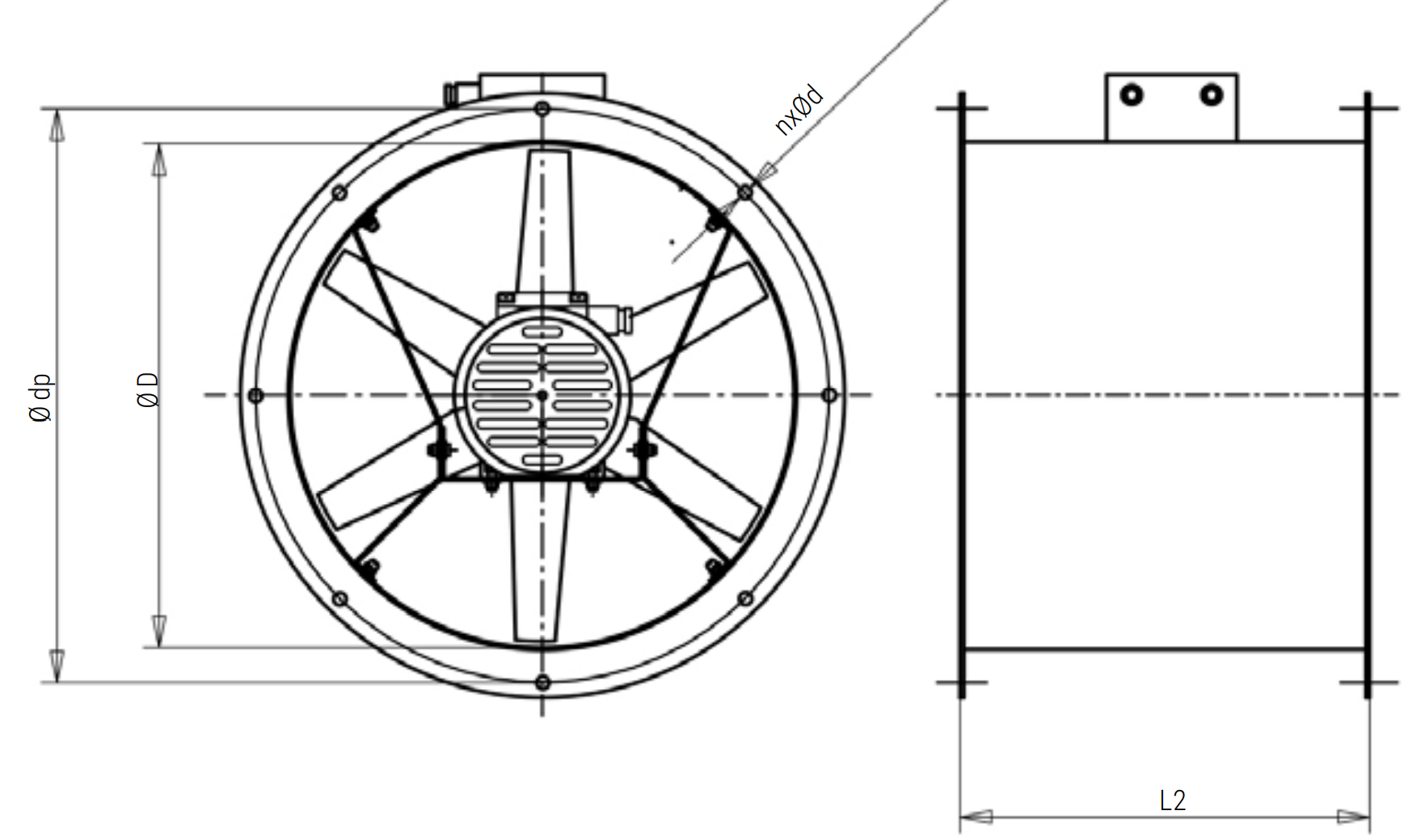
Wentylator przeciwwybuchowy WOK-400/EX - 890 rpm
The Symbol : WOK-400-EX-890
Explosion-proof fan WOK-400/EX 890 rpm | Ex 2(3)G | 2400...
The Availability Of :
Mało
20
opak
Price: 6890.00
Price: 6890.00
