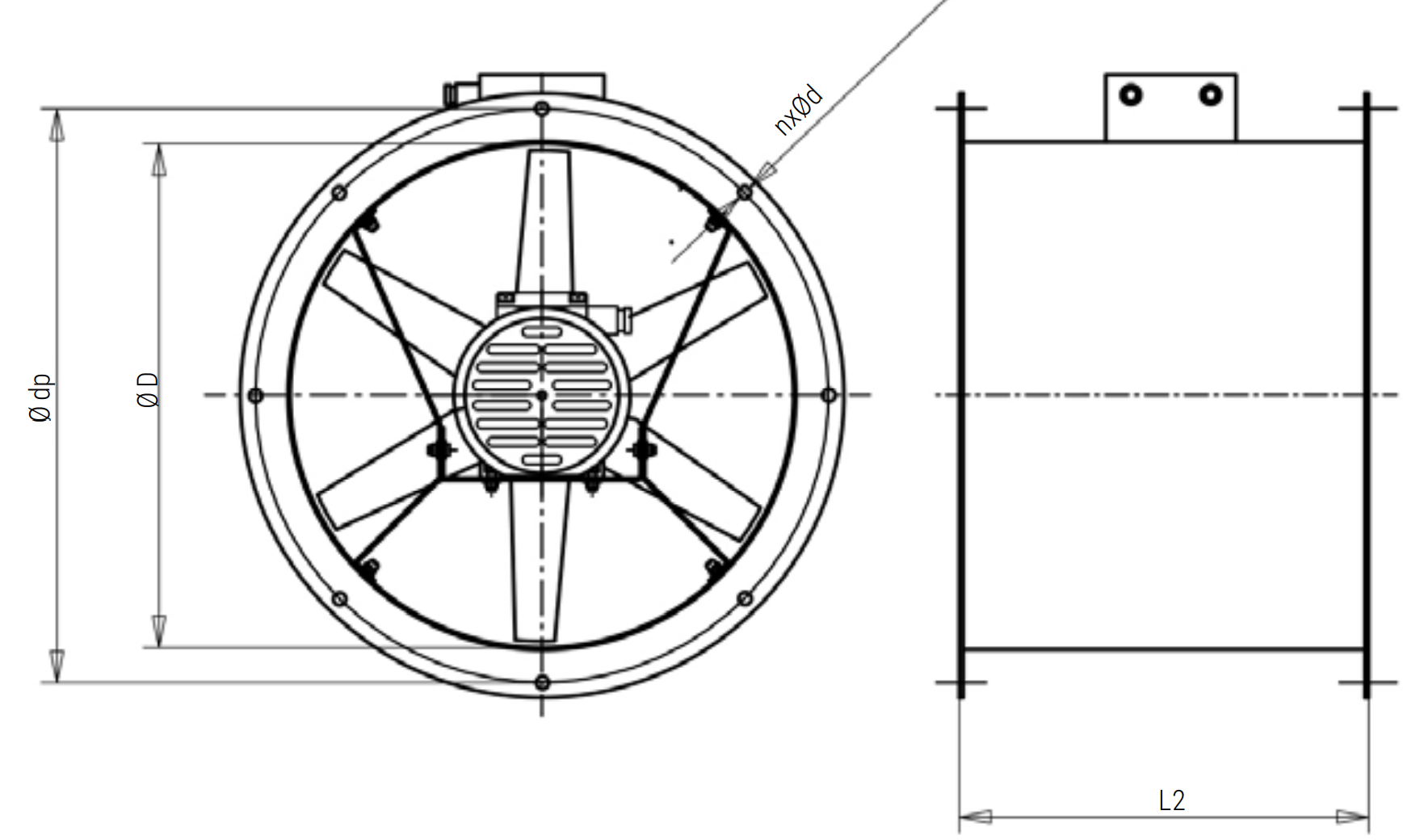
Explosion-proof fan WOK-355/EX 890rpm - 3900 m3
The Symbol : WOK-355-EX-890
Explosion-proof fan WOK-355/EX 890 rpm | Ex 2(3)G | 1910...
The Availability Of :
Mało
20
opak
Price: 5840.00
Price: 5840.00
